Q641F气动切断球阀的结构原理
Q641F气动切断球阀Q641F-16C防爆气动球阀FBQ641F防爆气动切断球阀Q641F防爆气动开关球阀/单作用故障自动复位气动球阀/双电磁阀控制防爆气动切断球阀/双电控防爆气动球阀/双电控气动紧急切断球阀/双电控气动球阀/双电控防爆气动O型切断阀/单作用双作用防爆气动不锈钢球阀Q641F-16P带手操机构防爆气动不锈钢球阀/带手轮气动带手动球阀/CT4防爆气动开关型球阀CT6防爆气动切断型球阀/气动法兰球阀是由球阀与气动执行机构及其它相关附件组成,利用气源驱动来控制阀门启闭,配行程限位开关、单电控或双电控电磁阀、减压阀及0.4-0.7MPa气源可实现开关操作,并送出二对无源触点信号指示阀门的开关。气动切断球阀密封性能优良,流通能力大,结构简单,使用寿命长,便于维修。配用的执行机构具有结构简单,紧凑,性能优,输出力矩大等特点。执行器分单作用和双作用两种型号。单作用式的优点是一旦动力源发生故障,球阀将按控制系统的要求自动处于开启或关闭的位置。广泛应用于化工、石油、轻纺、电力、食品制药、制冷、造纸等工业领域,不仅能控制气体,液体和蒸汽介质,也适用于控制污水和含有纤维的本质。可根据工况需要装配上阀门定位器,输入4-20mA的模拟量信号,达到对球阀开度大小的百分比调节控制。

单电控电磁阀和双电控电磁阀的区别:
单电控:即只有一个电磁线圈,一般用在2位3通电磁阀,线圈电压等级一般采用DC24V、AC220V等。 两位三通电磁阀分为常闭型和常开型两种,常闭型指线圈没通电时气路是断的,常开型指线圈没通电时气路是通的。 常闭型两位三通电磁阀动作原理:给线圈通电,气路接通,线圈一旦断电,气路就会断开,这相当于“点动”。 常开型两位三通单电控电磁阀动作原理:给线圈通电,气路断开,线圈一旦断电,气路就会接通,这也是“点动”。
双电控:即有两个电磁线圈,一般用在两位五通电磁阀,两位五通双电控电磁阀动作原理:给正动作线圈通电,则正动作气路接通(正动作出气孔有气),即使给正动作线圈断电后正动作气路仍然是接通的,将会一直维持到给反动作线圈通电为止。 给反动作线圈通电,则反动作气路接通(反动作出气孔有气),即使给反动作线圈断电后反动作气路仍然是接通的,将会一直维持到给正动作线圈通电为止。这相当于“自锁”。 基于两位五通双电控电磁阀的这种特性,在设计机电控制回路或编制PLC程序的时候,可以让电磁阀线圈动作1~2秒就可以了,这样可以保护电磁阀线圈不容易损坏。

特点:
气动球阀主要用于截断或接通管路中的介质,亦可用用于流体的调节与控制,它与其它阀类相比,具有以下一些优点:
1、流体阻力小、球阀是所有阀类中流体阻力小的一种,即使是缩径球阀,其流体阻力也相当小。
2、止推轴承减小阀杆磨擦力矩,可使阀杆长期操作平稳灵活。
3、阀座密封性能好,采用聚四氟乙烯等弹性材料制成的密封圈,结构易于密封,而且球阀的阀封能力随着介质压力的增高而增大。
4、阀杆密封可靠,由于阀杆只作彷转动运而不做升降运动,阀杆的填料密封不易破坏,且密封能力随着介质的压力增高而增大。
5、由于聚四氟乙烯等材料具有良好的自润滑性,与球体的磨擦损失小,故球阀的使用寿命长。
6、下装式阀杆和阀杆头部凸阶防止阀杆喷出,如火灾造成阀杆密封破坏,凸阶与阀体间还可形成金属接触,确保阀杆密封。
7、 防静电功能:在球体、阀杆、阀体之间设置弹簧,能将开关过程产生的静电导出。

单作用气动执行器和双作用气动执行器的区别:
气动球阀中单作用和双作用指的是气动球阀所配气动执行器可分为单作用和双作用。其区别在于:单作用的气缸内有弹簧,而双作用内没有。因此单作用气动执行器的价格比双作用气动执行器的价格要高。
单作用气动执行器一般分为常开型和常闭型(常开型:通气关,断气开;常闭型:通气开,断气关),也就是说,在安装之前有一个设定,设定其为开或者关,如果是常开的,那就是在通气的情况下气动执行器关闭阀门,如果气源出现故障或者突然停电,单作用气动执行器靠弹簧自动复位为开的状态,也就是说会回到它的设定状态,设定为关,则会回到关的状态,一般在危险的工况中使用较多,比如输送可燃气体或可燃液体,在失去气源又出现紧急情况的时候,单作用气动执行机构能自动复位把危险降低,而双作用就不能复位。
双作用气动执行器在通气的情况下气动执行器打开阀门,当要关闭阀门的时候另外一边通气才能关闭,双作用气动执行器是靠气缸工作复位的,在失去气源的时候只能保持原位。

性能:
ZSHR/ZSTR气动O型切断球阀主要用于管道介质的切断,密封性好,可以到达零泄漏。ZSHR气动执行器为双作用式,内部没有复位弹簧。ZSTR气动执行器为单作用式,内部有复位弹簧,在气源故障时可以自动复位,保证工艺设备的安全。适用于含有悬浮颗粒,黏稠介质,流阻小,流通能力大,气动执行器可以配装电磁阀,行程开关,过滤减压器等附件。远程操控十分方便,并可以实时反馈现场阀门开关情况。

结构原理:
气动球阀是一种旋转型切断球阀,为气动单元组合仪表中的执行单元,一般与电磁阀等气动元件组合使用。阀体结构有安装软密封阀座与全金属阀座两种,分别用于常温(-40~180℃)及高温(-60~450℃)场合。该产品传动效率高,推力大,密封性能好,额定流量系数大,零件互换性强等特点。
工作原理:
气动球阀一般与电磁阀、限位开关等附件组合使用,采用GT、AT、AW等气动执行器,具有输出力大、动作灵敏,能进行有效的开启和切断。其圆柱形通孔球体阀芯具有剪切功能,对控制带有纤维和颗粒等粘性介质的效果仅次于V型球阀。

气动球阀概述:
Q641F/H气动球阀采用气动执行器及精铸球阀组成。主要分为气动软密封球阀(≤200°)及气动硬密封球阀(≤550°)两大类。具有结构紧凑、体积精小、运行可靠、流阻系数低、密封性好、维修容易、安装方便、适应性强等优点。气动球阀可配行程限位开关、电磁阀、减压阀及0.4-0.7MPa气源可实现开关操作,并送出二对无源触点信号指示阀门的开关。广泛应用于石油、化工、教学设备、轻工、制药、造纸等工业自动控制系统中,作远距离集中控制或就地控制。
技术参数:
|
公称通径DN(mm)
|
15
|
20
|
25
|
32
|
40
|
50
|
65
|
80
|
100
|
125
|
150
|
200
|
|
额定流量系数KV
|
21
|
38
|
72
|
112
|
170
|
273
|
384
|
512
|
940
|
1452
|
2222
|
3589
|
|
公称压力(MPa)
|
PN1.6、2.5、4.0、6.4 MPa;ANSI 150、300LB
|
|||||||||||
|
允许压差(MPa)
|
≤公称压力
|
|||||||||||
|
阀体形式
|
两段式铸造球阀
|
|||||||||||
|
连接形式
|
法兰式、焊接式、螺纹式
|
|||||||||||
|
阀芯形式
|
"O"型球形阀芯
|
|||||||||||
|
密封填料
|
V型聚四氟乙烯填料、柔性石墨填料等
|
|||||||||||
|
流量特性
|
近似快开型
|
|||||||||||
|
动作范围
|
0~90°
|
|||||||||||
|
泄露量Q
|
按GB/T4213-92,小于额定KV0.01%
|
|||||||||||
|
可调范围
|
250:1
|
350:1
|
||||||||||
|
配置执行机构
|
可配GT、AT、AW等系列气动执行机构
|
|||||||||||
|
控制方式
|
开关型(开关两位控制)、调节型(4~20mA控制)
|
|||||||||||
执行器参数:
|
执行器型号
|
GT、AT、AW系列单双作用气动执行器
|
|
供气压力
|
0.4~0.7MPa
|
|
气源接口
|
G1/4"、G1/8"、G3/8"、G1/2"
|
|
环境温度
|
-30~+70℃
|
|
作用形式
|
单作用执行机构:气关式(B)--失气时阀位开(FO);气开式(K)--失气时阀位关(FC) 双作用执行机构:气关式(B)--失气时阀位保持(FL);气开式(K)-- 失气时阀位保持(FL) |
|
可配附件
|
定位器、电磁阀、空气过滤减压器、保位阀、行程开关、阀位传送器、手轮机构等
|
执行机构:
采用GT、AT、AW型系列气动执行器,有双作用式和单作用式(弹簧复位),齿轮齿条传动,安全可靠;大口径阀门采用系列AW型气动执行器拔叉式传动,结构合理,输出扭矩大,有双作用式和单作用式。
1、齿轮式双活塞,输出力矩大,体积小。
2、气缸选用铝金材料,重量轻、外形美观。
3、可在顶部、底部安装手动操作机构。
4、齿条式连接可调节开启角度、额定流量。
5、执行器可选带电讯号反馈指示及各类附件以实现自动化操作。
6、IS05211标准连接为产品的安装更换提供了方便。
7、两端调的节螺钉可使标准产品在0°和90°有±4°的可调范围。确保与阀门的同步精度。

附件的选项:
根据不同控制和要求可选择下列附件:
切断型附件:单电控电磁阀、双电控电磁阀、限位开关回讯器。
调节型附件:电气定位器、气动定位器、电气转换器。
气源处理附件:空气过滤减压阀、气源处理三联件。
手动机构:HVSD手操机构

配套气动执行器及气动附件功能和用途(可选):
1、双作用执行器:控制阀门的开启和关闭。
2、单作用执行器(弹簧复位):在电路气路切断或者有故障时自动关闭阀门。
3、单控电磁阀:供电时阀门打开或者关闭,断电时阀门关闭或者打开(可提供防爆型)。
4、双控电磁阀:一个线圈通电时阀门打开,另一个线圈通电时阀门关闭,有记忆功能(可提供防爆型)。
5、限位开关回信器:远距离传送阀门开和关位置信号(可提供防爆型)。
6、电气定位器:根据电流信号(4-20mA)的大小对阀门的介质流量调节控制(可提供防爆型)。
7、气动定位器:根据气压信号(标准0.02-0.1MPa)的大小对阀门的介质流量调节控制。
8、电气转换器:将电流信号转换成气压信号,与气动定位器配套使用(可提供防爆型)。
9、气源处理三联件:包括空气减压阀、过滤器、油雾器、对气源稳定、清洁、运动部件起润滑作用。
10、手动操作:自动控制在不正常情况下可以手动操作阀门的启闭。
零件材料:
|
零件名称
|
材料
|
|||
|
阀体
|
WCB
|
304(CF8)
|
316(CF8M)
|
316L(CF3M)
|
|
球体
|
2Cr13+氮化处理
|
304
|
316
|
316L
|
|
阀杆
|
2Cr13
|
304
|
316
|
316L
|
|
阀座密封圈
|
PTFE(聚四氟乙烯)、PPL(对位聚苯)、金属密封(硬质合金)
|
|||
|
填料
|
V型PTFE四氟填料、柔性石墨
|
|||
性能规范:
|
公称通径DN(mm)
|
DN15-300
|
|||||
|
公称压力
|
PN(MPa)
|
1.0
|
1.6
|
2.5
|
4.0
|
6.4
|
|
试验压力
|
强度试验
|
1.5
|
2.4
|
3.75
|
6.0
|
9.60
|
|
密封试验
|
1.1
|
1.76
|
2.75
|
4.4
|
7.04
|
|
|
低压气密试验
|
0.5~0.7
|
|||||
|
适用介质
|
水、油、蒸气、硝酸类(温度≤200℃)、醋酸类(温度≤200℃)
|
|||||
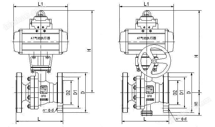
结构图:

主要外形尺寸:(单位:mm)
|
DN
|
L
|
H
|
D
|
D1
|
L0
|
Z-φd
|
|
15
|
130
|
200
|
95
|
65
|
165
|
4-φ14
|
|
20
|
140
|
204
|
105
|
75
|
165
|
4-φ14
|
|
25
|
150
|
215
|
115
|
85
|
165
|
4-φ14
|
|
32
|
165
|
240
|
135
|
100
|
225
|
4-φ18
|
|
40
|
180
|
265
|
145
|
110
|
225
|
4-φ18
|
|
50
|
200
|
275
|
160
|
125
|
225
|
4-φ18
|
|
65
|
220
|
379
|
180
|
145
|
245
|
4-φ14/4-φ18
|
|
80
|
250
|
390
|
195
|
160
|
330
|
8-φ18
|
|
100
|
280/320
|
416
|
215/230
|
180/190
|
330
|
8-φ18/8-φ23
|
|
125
|
320/381
|
542
|
245/270
|
210/220
|
380
|
8-φ18/8-φ25
|
|
150
|
360/400
|
572
|
280/300
|
240/250
|
380
|
8-φ23/8-φ25
|
|
200
|
400/500
|
736
|
335/360
|
295/310
|
440
|
12-φ25/12-φ25
|
|
250
|
530/568
|
926
|
405/425
|
355/370
|
580
|
12-φ25/12-φ30
|
|
300
|
600/648
|
1059
|
460/485
|
410/430
|
715
|
12-φ25/16-φ30
|
|
350
|
550/762
|
1127
|
520/550
|
470/490
|
875
|
16-φ25/16-φ34
|
|
400
|
600/838
|
1398
|
580/610
|
525/550
|
995
|
16-φ30/16-φ34
|
上海乔邑阀门主要生产销售【Q641F气动切断球阀Q641F-16C防爆气动球阀FBQ641F防爆气动切断球阀Q641F防爆气动开关球阀/单作用故障自动复位气动球阀/双电磁阀控制防爆气动切断球阀/双电控防爆气动球阀/双电控气动紧急切断球阀/双电控气动球阀/双电控防爆气动O型切断阀/单作用双作用防爆气动不锈钢球阀Q641F-16P带手操机构防爆气动不锈钢球阀/带手轮气动带手动球阀/CT4防爆气动开关型球阀CT6防爆气动切断型球阀/气动法兰球阀】,备有大量库存现货直销!我们一直秉持“合理价格、贴心服务”的理念,努力为用户提供可靠的产品和完善的售后服务。本文中所有文字、数据、图片仅供参考。

















































本文地址: https://www.xsyiq.com/60605.html
网站内容如侵犯了您的权益,请联系我们删除。